The solution we offer integrates high-performance motor driving with intelligent power generation into a robust platform, specifically designed for electric or hybrid two-wheelers operating at speeds of 60-80 kilometers per hour.This versatile system delivers unprecedented design flexibility and advanced energy management to meet the evolving demands of global OEMs.
Project Number :
Motor Controller(G150S)Order(MOQ) :
Based on full container load (FCL); exact quantity varies with the packaging solution of each product.Payment :
Prepayment requiredProduct Origin :
Xiamen City,Fujian Province ,ChinaColor :
BlsckLead Time :
From deposit to vessel loading : 30–35 days for regular bulk orders.Weight :
Motor:19.6Kg , Motor controller:4.2kgParameter Specifications
Fully certified to IATF 16949, CE certification
| No. | Item | Description / Specification | No. | Item | Description / Specification | Remarks |
|---|---|---|---|---|---|---|
| Generator Controller | Motor Controller | - | ||||
| 1 | Product Type | Generator Controller | 1 | Product Type | Motor Controller | / |
| 2 | Compatible Sensor Type | Hall Effect Sensors | 2 | Compatible Sensor Type | Hall Effect Sensors & Magnetic Encoders | Supports 5V supply encoders |
| 3 | Operating Voltage Range | 35–85 Vdc | 3 | Operating Voltage Range | 35–85 Vdc | / |
| 4 | Rated Voltage | 48 / 60 / 72 Vdc | 4 | Rated Voltage | 48 / 60 / 72 Vdc | / |
| 5 | Rated / Peak Phase Current | 60 A / 260 A | 5 | Rated / Peak Phase Current | 110 A / 260 A | / |
| 6 | DC Bus Current | 80 A | 6 | DC Bus Current | 100 A | / |
| 7 | Communication Interface | One-Wire / CAN 2.0 | 7 | Communication Interface | One-Wire / CAN 2.0 | / |
| 8 | Cooling Method | Natural Air Cooling (Passive) | 8 | Cooling Method | External Liquid Cold Plate | Also supports Natural Air Cooling |
Interface Specifications
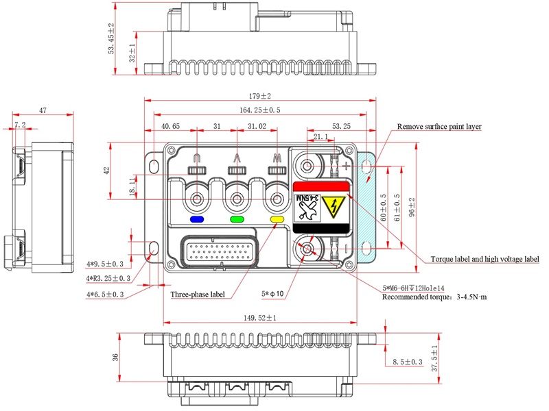
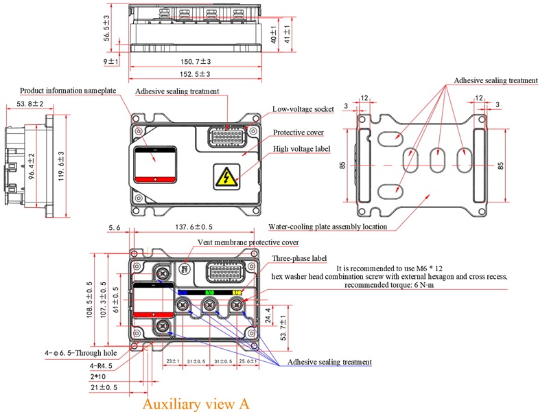
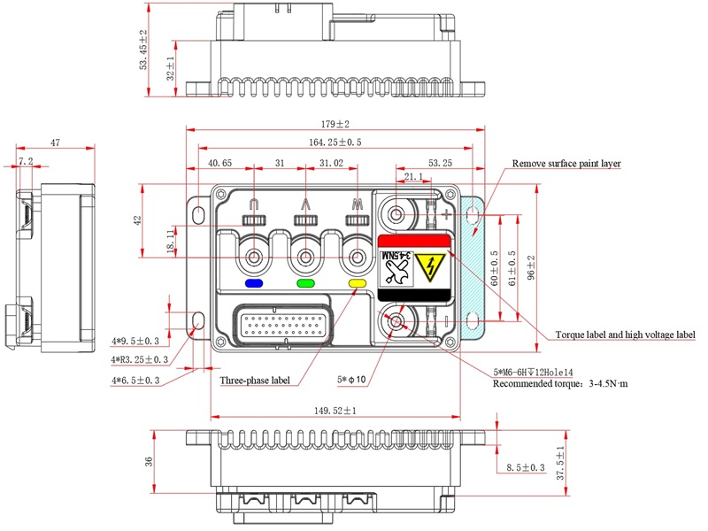
Interface Appearance Diagram


Low Voltage Connector Interface Diagram 

Product Advantages
1.True Dual-Mode Architecture: Drive & Generate
One hardware platform, two distinct operational modes tailored for complex powertrains:
2.Unmatched Power Density & Thermal Resilience
Designed for the rigorous demands of high-speed commuting:
Massive Current Handling: With a phase current peak of 260A in both modes, this controller handles extreme load spikes without failure.
Flexible Cooling Options:
Standard: Optimized natural air cooling for cost-effective, lightweight designs.
Pro Upgrade: Optional external water-cooling plate interface for sustained high-power output in enclosed or heavy-duty applications, preventing thermal throttling during long climbs.
3.Precision Sensing & Smooth Control
Experience whisper-quiet operation and silky-smooth torque delivery:
Dual Sensor Support: Compatible with standard Hall sensors for plug-and-play reliability.
High-Resolution Encoder Ready: Optional support for 5V Magnetic Encoders, enabling advanced FOC algorithms for ultra-smooth low-speed control and superior NVH (Noise, Vibration, Harshness) performance.
4. Future-Proof Connectivity & Customization
Advanced Communication: Native support for CAN 2.0 and One-Wire protocols ensures seamless integration with BMS, dashboards, and hybrid management units.
Modular Design:
MOSFET Flexibility: Select optimized MOSFET modules to balance cost vs. efficiency for your specific voltage class (48V/60V/72V).
Bluetooth Integration: Optional built-in Bluetooth allows for real-time diagnostics, parameter tuning via smartphone apps, and OTA (Over-The-Air) firmware updates.
leave a message
Scan to wechat :
Scan to Whatsapp :