This power module adopts standard packaging and copper substrate design, specifically tailored for frequency converters, uninterruptible power supplies, motor drives and welding machines. It features a 650V breakdown voltage, high short-circuit capacity, and a working junction temperature of up to 150°C. It supports mass production and is compatible with mainstream industrial circuits, easily meeting the requirements of common industrial applications.
Order(MOQ) :
Based on full container load (FCL); exact quantity varies with the packaging solution of each product.Product Origin :
Xiamen City,Fujian Province ,ChinaColor :
WhiteLead Time :
From deposit to vessel loading : 30–35 days for regular bulk orders.Core Product Highlights
High voltage and high current, stable load capacity
Low loss and high efficiency
Excellent heat dissipation and long lifespan
Application Scenario
1.Frequency converter
2.Uninterruptible Power Supply
3.Motor drive
4.Electric welding machine
Common FAQs
Q1: How many power devices can this module support?
A: 650V/200A specification, suitable for several thousand kW level medium to large power inverters / drives.
Q2: What is the working temperature range?
A: Working junction temperature range -40℃ ~ 150℃, ensuring reliable operation in industrial-grade high and low temperature environments.
Q3: What are the protection and safety features?
A: 2.5kV insulation withstand voltage, 10mm creepage distance, high short-circuit capacity, wide temperature range reliability, meeting industrial safety standards.
Specification parameters:
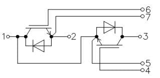
IGBT, Inverter
Maximum rated Values
|
Parameter |
Symbol |
Conditions |
Values |
Unit |
|
Collector-emitter voltage |
VCES |
Tvj = 25℃ |
650 |
V |
|
Continuous DC collector current |
IC nom |
TC = 70℃, Tvj max =150℃ |
200 |
A |
|
Repetitive peak collector current |
ICRM |
tP=1 ms |
400 |
A |
|
Total power dissipation |
Ptot |
TC = 25℃, Tvj max = 150℃ |
698 |
W |
|
Gate-emitter peak voltage |
VGES |
- |
±20 |
V |
Characteristic Values
|
Parameter |
Symbol |
Conditions |
Values |
Unit |
|||
|
Min. |
Typ. |
Max. |
|||||
|
Collector-emitter saturation voltage |
VCE(sat) |
VGE =15V, IC = 200A |
Tvj= 25℃ Tvj= 125℃ Tvj= 150℃ |
- - - |
1.70 2.00 2.10 |
1.9 - - |
V |
|
Gate threshold voltage |
VGE(th) |
IC =3.2 mA, VCE = VGE, Tvj = 25℃ |
5.0 |
5.832 |
6.8 |
V |
|
|
Internalgate resistor |
RGint |
Tvj = 25℃ |
- |
2 |
- |
Ω |
|
|
Collector-emitter cut-off current |
ICES |
VCE= 650 V , VGE = 0V Tvj = 25℃ |
- |
- |
0.1 |
mA |
|
|
Gate-emitter leakage current |
IGES |
VCE = 0 V, VGE = 20 V, Tvj = 25℃ |
- |
- |
500 |
nA |
|
|
Input capacitance |
Cies |
VCE = 25 V, VGE = 0V, f = 1 MHz,Tvj = 25℃ |
- |
15000 |
- |
pF |
|
|
Reverse transfer capacitance |
Cres |
- |
280 |
- |
pF |
||
|
Turn-on delay time |
td(on) |
VCE = 300 V, IC = 200A, VGE = ±15 V, RG =4.7 Ω
|
Tvj = 25℃ Tvj = 125℃ Tvj = 150℃ |
- - - |
0.106 0.116 0.118 |
- - - |
μs |
|
Rise time, inductive load |
tr |
Tvj = 25℃ Tvj = 125℃ Tvj = 150℃ |
- - - |
0.103 0.109 0.11 |
- - - |
||
|
Turn-off delay time, inductive load |
td(off) |
Tvj = 25℃ Tvj = 125℃ Tvj = 150℃ |
- - - |
0.165 0.177 0.179 |
- - - |
||
|
Fall time, inductive load |
tf |
Tvj = 25℃ Tvj = 125℃ Tvj = 150℃ |
- - - |
0.084 0.096 0.1 |
- - - |
||
|
Turn-on energy loss per pulse |
Eon |
Tvj = 25℃ Tvj = 125℃ Tvj = 150℃ |
- - - |
1.591 3.045 3.442 |
- - - |
mJ |
|
|
Turn-off energy loss per pulse |
Eoff |
Tvj = 25℃ Tvj = 125℃ Tvj = 150℃ |
- - - |
4.458 5.176 5.37 |
- - - |
||
|
SC data |
Isc |
VGE = 15 V,VCC = 300 V tP = 10 µs, Tvj = 150℃ |
- |
960 |
- |
A |
|
|
Thermal resistance, junction-case |
RthJC |
per IGBT |
- |
- |
0.179 |
K/W |
|
|
Temperature under switching conditions |
Tvj op |
|
-40
|
- |
150 |
℃ |
|
Diode, Inverter
Maximum ratings Values
|
Parameter |
Symbol |
Conditions |
Values |
Unit |
|
Repetitive peak reverse voltage |
VRRM |
Tvj=25∘C |
650 |
V |
|
Continuous DC forward current |
IF |
|
200 |
A |
|
Repetitive peak forward current |
IFRM |
tp=1ms |
400 |
A |
Characteristic Values
|
Parameter |
Symbol |
Conditions |
Values |
Unit |
||||
|
Min. |
Typ. |
Max. |
||||||
|
Forward voltage |
VF |
VGE = 0 V, IF = 200 A |
Tvj = 25℃ Tvj = 125℃ Tvj = 150℃ |
- - - |
1.661 1.682 1.651 |
2.25 - - |
V |
|
|
Peak reverse recovery current |
IRM |
VR=300V, IF =200A, dIF/dt=5400A/µs |
Tvj = 25℃ Tvj = 125℃ Tvj = 150℃ |
- - - |
76 85 89 |
- - - |
A |
|
|
Recovery charge |
Qr |
Tvj = 25℃ Tvj = 125℃ Tvj = 150℃ |
- - - |
5.251 6.226 6.455 |
- - - |
µC |
||
|
Reverse recovery energy per pulse |
Erec |
IF =200A, VR = 300V, VGE = -15V |
Tvj = 25℃ Tvj = 125℃ Tvj = 150℃ |
- - - |
1.298 2.049 2.382 |
- - - |
mJ |
|
|
Thermal resistance, junction-case |
RthJC |
per diode |
- |
- |
0.303 |
K/W |
||
|
Temperature over switching conditions |
Tvj op |
|
-40 |
- |
150 |
℃ |
||
Module
|
Parameter |
Symbol |
Conditions |
Values |
Unit |
|
Isolation test voltage |
VISOL |
|
2.5 |
kV |
|
Material of Module baseplate |
|
|
Cu |
|
|
Material of Internal Isolation |
|
|
Al2O3 |
|
|
Creepage distance |
|
Terminal to heatsink |
10.0 |
mm |
|
Stray inductance module |
Ls |
|
35 |
nH |
|
Storage temperature |
Tstg |
|
−40∼125 |
∘C |
|
Mounting torque for module mounting |
M |
Screw M6 - Mounting according to valid application note |
3.0 ~ 6.0 |
N·m |
|
Terminal connection torque |
M |
Screw M5 - Mounting according to valid application note |
3.0 ~ 6.0 |
N·m |
|
Weight |
G |
|
163 |
g |
Output characteristic IGBT, Inverter (typical)
IC = f (VCE)
VGE = 15 V

Output characteristic IGBT, Inverter (typical)
IC = f (VCE)
Tvj = 150℃

Transfer characteristic IGBT, Inverter (typical)
IC = f (VGE)
VCE = 20 V

Switching losses IGBT, Inverter (typical)
Eon = f (IC), Eoff = f (IC),
VGE = ±15 V, Ron = 4.7 Ω, Roff = 4.7 Ω, VCE = 300 V

Transient thermal impedance IGBT, Inverter (typical)
ZthJC = f (t)

Forward characteristic of Diode, Inverter (typical)
IF = f (VF)

Transient thermal impedance Diode, Inverter (typical)
ZthJC = f (t)

Switching losses Diode, Inverter (typical)
Erec = f (IF), RGon = 4.7 Ω, VCE = 300 V



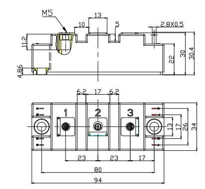
Unit:mm
leave a message
Scan to wechat :
Scan to Whatsapp :